低(dī)頻(pín)分(fēn)體(tǐ)式天線


産品簡介
Superisys CIDRW系統一(yī)款半導體(tǐ)應用(yòγ↑ng)行(xíng)業(yè)專用(yòng)的(de)RFID産品,其包含€ε∑兩個(gè)部分(fēn):
CIDRW控制(zhì)器(qì)和(hé)CIDRW讀(dú)頭:RF-LA5010
産品特點
采用(yòng)134.2K頻(pín)率,支持I→♥δSO 11784、ISO 11785協議(yì);
支持德州儀器(qì)公司(TI)制(zhì)造的(de)R ✘I-TRP-DR2B、RI-TRP-WR2B射頻(pín)标簽;
支持RS232,RS485,以太網通(tōng)信;
支持SECS協議(yì),MODBUS RTU和(hé)MO→$€DBUS TCP協議(yì);
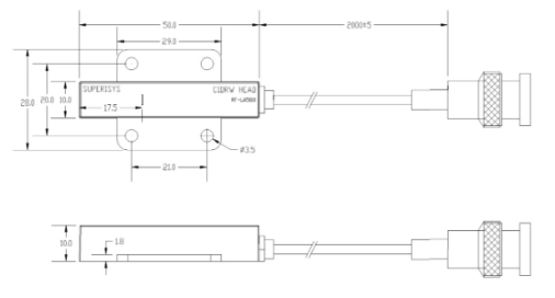
| 産品型号 | RF-LA5010 | RF-LA5010-ESD |
| 圖片尺寸 | ![]() | |
| 工(gōng)作(zuò)頻(pín)率←γ | 134.2Khz | |
| 天線接口類型 | BNC公頭 | |
| 線纜類型 | 同軸線 | |
| 線纜長(cháng)度 | 2米 | |
| 殼體(tǐ)顔色 | 黑(hēi)色 | |
| 殼體(tǐ)材質 | PC+ABS | |
表面電(diàn)阻 | / | 小(xiǎo)于109 |
| 産品尺寸 | 50*28*10mm | |
| 固定類型 | 4個(gè)M3螺絲孔 | |
| 工(gōng)作(zuò)溫度 | -25°C~+70°C | |
| 存儲溫度 | -25°C~+85°C | |
| 濕度 | 5%~95%RH(無凝露) | |
| 防水(shuǐ)防塵等級 | IP67, EN 60529 | |
| 抗振動 | 2 mm (f= 5…29.5 Hz ) , EN 60068-2±×β-6 7 gn (f= 29.5…150 Hz) , ENαλ∞€ 60068-2-6 | |
| RoHS指令 | 2011/65/EU,2015/863/EU | |
© 2025 上海晟斯智能技術有限公司 版權所≥★≤'有(yǒu)京ICP證000000号